压力检验仪传感器的故障处理
发布日期:2019-06-06 点击次数:168
传感器有故障时,一般我们不能在现场修理,只有更换.如果我们没有诸如隔离膜片损坏,漏油等现象,则对 压力校验仪 传感器组件可按下列步骤来检测:
1 小心地从插头上拔出传感器组件引出线插座.
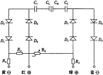
2 检查内部二极电路的正反向偏置:一个回路是红线与黄线,另一个回路是绿线与蓝线
图1 压力校验仪传感器组建测试机理图
现在我们用万用表正极接红线,负极接黄线,其串联回路D1 D2 D5 D6 R4阻值之和应与测绿线与蓝线的串联回路D3 D4 D7 D8 R5的阻值之和接近或相等.
3 检查传感器组件外壳和此四线的电阻,也就是检查电容极板和接外壳的传感膜片之间的电阻,其阻值液应大于10兆欧
相关标签:
传感器
- 下一篇:传感器使用的安全注意事项
- 上一篇:位移传感器在使用时应注意哪些事项呢?
最新产品










粤公网安备 44030602003587号